在我研究DMO翻阅专利时发现了比亚迪在专利描述中的错误!

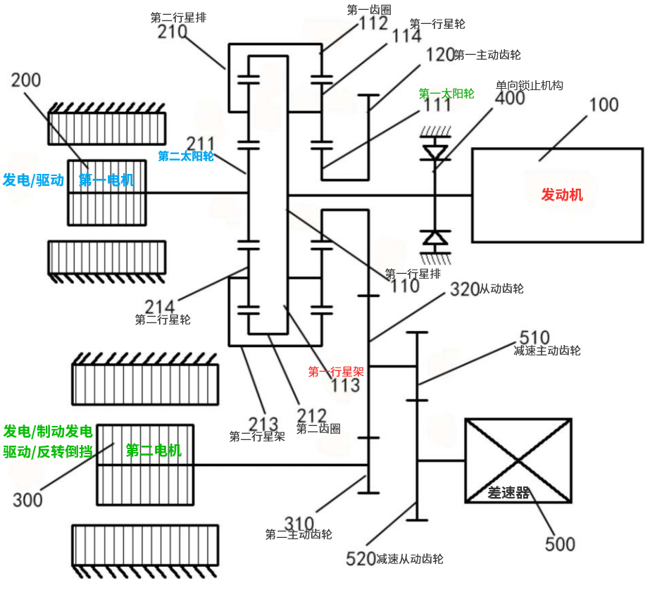
111是第一太阳轮,211是第二太阳轮。
应该是第二电机300与第一太阳轮111连接。
当然,比亚迪官方没有说这个专利就是方程豹5上越野专用DMO混动系统,我也只是猜测,研究了一番,发现这个专利跟丰田的THS混动系统原理很像。它的结构都有发动机、第一电机、第二电机、行星轮、太阳轮的概念。
方程豹5配置表中也有E-CVT电子无级变速箱,所以DMO大概率是使用了CN115042610A专利中描述的混动系统。DMO混动系统直白点说就是类似丰田THS那种可以功率分流的混合动力系统。

图片来源于方程豹5官方网站
发动机功率分流,理论上可以让发动机永远工作在最佳的工况上。当发动机功率过剩时可以用来发电,当发动机功率不足时,可以跟电机一起发力。这也是为什么方程豹5亏电油耗只有7.8L/100公里的原因。
此专利主要优点是混动跟纯电动模式切换速率高和生产成本低。发动机功率的分流与THS类似,都是通过行星轮与太阳轮巧妙的结构实现的。

DMO与THS的功率分流器核心部件都是由太阳轮、行星轮、行星架、齿圈构成。差异之处是连接发动机、电机位置有所不同,DMO有两组这样的功率分流部件。

丰田的THS发动机与行星架相连,MG1电机与太阳轮相连,MG2电机与齿圈相连,齿圈经过差速器驱动车轮。
比亚迪DMO把功率分流部件称为行星排,有两组第一行星排与第二行星排。

CN115042610A专利附图1
第一行星排与第二行星排是通过行星架与齿圈连接进行动力传递。专利称用两组行星排可以承受更大的扭矩。
发动机可以增加单向锁止机构,与第一行星排的第一行星架相连,第一电机与第二行星排的第二太阳轮相连,第二电机与第一行星排的第一太阳轮相连。
第二电机通过差速器驱动车轮。

CN115042610A专利附图2
比亚迪这套混动系统动力传递是这样的:
起步模式:第二电机驱动车辆,极加速时第一电机启动发动机,然后发动机与第二电机共同驱动车辆。
驻车发电模式:第二电机停止工作,发动机通过第一行星架带动第二齿圈,进而带动第二太阳轮带动第一电机发电。
纯电模式:第二电机工作,发动机、第一电机不工作。
混合驱动模式:发动机、两个电机都工作。当第一电机驱动车辆时,发动机全部动力也用于驱动车辆,这时动力最强。当第一电机发电时,发动机同时驱动车辆和第一电机,此时第二电机可以驱动车辆,或者参与发电。
再生制动模式:车辆电池SOC对于能量回收影响很大。SOC不超过电池荷电上限时,可以回收能量给电池充电。回收能量时发动机、第一电机不工作,第二电机制动产生电能,给电池充电。
机械制动模式:SOC超电池荷电上限,发动机、两电机均不工作。
联合制动模式:当再生制动模式制动力不满足制动需求时,通过制动踏板一起提供制动力。
倒挡模式:第二电机反转。
总结:通过对比亚迪DMO专利的深入了解,比丰田THS多增加一组功率分流部件会增加传动损耗,比亚迪声称能承受更大的扭矩,这点就见仁见智了。个人觉得针对这点改动得不偿失。要更大的扭矩完全可以通过安装一个独立的大功率电机,实现四驱驱动车辆,整体效果要好得多。
上一篇:没有了